|
一、技术参数:
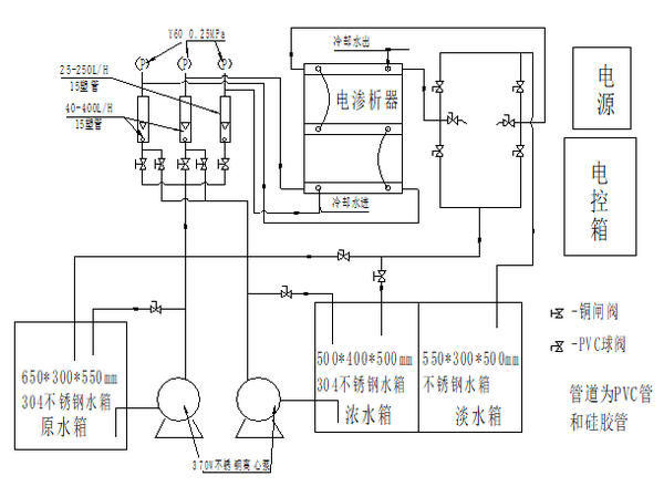
电渗析处理装置主要由PVC水箱、有机玻璃过滤柱、进水泵、电渗析器、电气控制箱和不锈钢架等组成。
(1)PVC水箱,长×宽×高=350㎜×350㎜×450㎜。
(2)有机玻璃过滤柱一个,Φ100㎜×300㎜,内有粗滤筒。
(3)水泵:扬程10m,功率90W。
(4)电渗析器一台,采用异相离子交换膜和换向阀联动倒极方式。
主要技术参数:
1.流量1.67L/min;
2.除盐率>90%;
3.工作水压0.03~0.15Mpa;
4.输入电压220V;耗电量≯20W。
(5)电气控制箱一个,内有直流稳压电源、换向指示灯(正向、反向)、电源按钮开关。
(6)不锈钢架一个,长×宽×高=1000㎜×420㎜×800㎜。

二、实验指导:
1.实验目的:
电渗析是膜分离法之一,广泛应用于水处理的各个行业,即可用于苦咸水的淡化和工业生产用水的处理,又可用于冶金、化工、食品、医药等行业的废水回收利用。本装置是利用电渗析工艺进行水处理的实验设备,希望达到以下目的:
(1)了解电渗析实验装置的构造及工作原理。
(2)熟悉电渗析配套设备,学习电渗析实验装置的操作方法。
(3)掌握电渗析法除盐技术,求脱盐率及电流效率。
2.装置的工作原理:
在多加直流电场作用下,得用离子交换膜的选择透过性,即阳膜只容许阳离子透过,阴膜只容许阴离子透过,使水中阴、阳离子作定向迁移,从而达到离子从水中分离。
在电渗析器内,阴极和阳极之间,将阳膜与阴膜交替排列,并用特制的隔板将这两种膜隔开,隔板内有水流的通道。
进入淡室的含盐水,在两端电极接通直流电源后,即开始电渗析的过程,水中阳离子不断透过阳膜向阴极方向迁移,阴离子不断透过阴膜向阳极方向迁移,结果是含盐水逐渐变成淡化水。而进入浓室含盐水由于阳离子在向阴极方向迁移中不能透过阴膜,阴离子在向阳极方向迁移中不能透过阳膜,含盐水却因不断增加由邻近淡室迁移透过的离子而变成浓盐水。这样电渗析器中,组成了淡水和浓水两个系统。与此同时,在电极和溶液的界面上,通过氧化、还原反应,发生电子与离子这间的转换,即电极反应。
所以,在阴极不断排出氢气,在阳极不断有氧气或氯气放出。在阴极室溶液呈碱性,当水中Ca2+、Mg2+、HCLO-等离子时,会生成CaCO3和Mg(OH)2水垢,依附在阴极上。而阳极室溶液则呈酸性,对电极造成强烈的腐蚀。
在电渗析过程中,电能的消耗主要用来克服电流通过溶液、膜时所受到的阻力以及进行电析反应。运行时,进水分别地不断流进浓室、淡室以及极室。淡室出水即为淡化水,浓室出水即为浓盐水,极室出水不断排除电极过程的反应物质,以保证电渗析的正常进行。
3.处理装置配套测定设备及仪器:
就使用电渗析实验装置需要示除的目标,确定测定的指标,例如溶解性总固体或含盐量等,再准备相应的设备和仪器,主要设备有恒温烘箱、分析天平,可采用硝酸银滴定法或电导率测定法。利用秒表和量筒测定处理装置浓水室、淡水室的流量。
4.启动和运行:
首先必须认真阅读产品说明书,弄清楚组成处理装置的所有设备和连接管路的作用,以及相互之间的关系,了解处理装置的工作原理。在此基础上,方可开始处理装置的启动和运行。
(4)清水试验:装置就位安装完毕后,将PVC水箱灌满自来水,观察连接管路是否正常,如正常启动进水泵,检查有机玻璃过滤柱、电渗析器以及连接阀门管路是否有漏水和渗水现象,如有排朋后修理。
(5)运行:
1.启动进水泵,调节流量控制阀,使浓水室、淡水室的流量大致相同。
2.按动电气控制箱上的电源按钮,接通电源电渗析器开始工作,(此时两只极向指示灯只有一只发亮),电流表显示出工作电流,1min后电流逐渐减小,以至稳定。
3.调节进水量。进水量越大,淡水室的流量也大,脱盐率较小;进水量越小,淡水室的流量也小,脱盐率较高。
4.关机。实验结束,按动电气控制箱上的电源按钮,切断电源电渗析器停止工作,然后关闭进水泵停止进水。
5.电极换向。采用换向阀联动倒极方式对电渗析器进行电极极性倒换,以改善电渗析运行性能。倒极操作每30~60min进行一次。先切断电源,将淡水室的水排放1~2min。然后将换向阀按箭头标示旋动90度,再按一下电源开关,极向指示灯原先亮的一只来了,原先来的一只亮了,说明电渗析器已完成电极极换。
|